
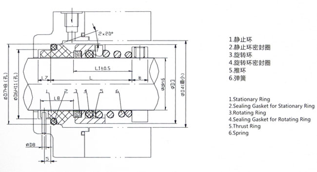
結構特點:
單端面、非平衡型、錐形彈簧傳動結構,彈簧另一端并圈鎖定在軸上,彈簧旋向與泵軸旋向有關。
結構簡單、性能穩定、可先靠性強。
通用性強,符合ISO 3069和DIN 24960標準。
適用范圍:
壓力:≤1.0MPa
溫度:-20~150℃
線速度:≤10m/s
用途:清水泵、污水泵、化工泵等設備,適用于輸送清水、油及其它弱腐蝕性液體。

| 型號Model |
d
|
D3
|
D6
|
D7
|
D8
|
L
|
L1
|
L7
|
L8
|
b
|
| 003-20 |
20
|
34
|
29
|
35
|
3
|
33.5
|
22
|
9
|
19
|
8
|
| 003-22 |
22
|
36
|
31
|
37
|
3
|
33
|
21.5
|
9
|
19
|
8
|
| 003-25 |
25
|
39
|
34
|
40
|
3
|
38
|
26.5
|
9
|
19
|
8
|
| 003-28 |
28
|
42
|
37
|
43
|
3
|
38
|
26.5
|
9
|
19
|
8
|
| 003-30 |
30
|
44
|
39
|
45
|
3
|
38
|
26.5
|
9
|
19
|
8
|
| 003-33 |
33
|
47
|
42
|
48
|
3
|
40
|
26.5
|
9
|
19
|
8
|
| 003-35 |
35
|
49
|
44
|
50
|
3
|
40
|
28.5
|
9
|
19
|
8
|
| 003-38 |
38
|
54
|
49
|
56
|
4
|
47.5
|
28.5
|
9
|
21.5
|
8
|
| 003-40 |
40
|
56
|
51
|
58
|
4
|
50
|
33.5
|
9
|
21.5
|
8
|
| 003-43 |
43
|
59
|
54
|
61
|
4
|
52.5
|
36
|
9
|
21.5
|
8
|
| 003-45 |
45
|
61
|
56
|
63
|
4
|
53.5
|
38.5
|
9
|
21.5
|
8
|
| 003-48 |
48
|
64
|
59
|
66
|
4
|
60
|
39.5
|
9
|
21.5
|
8
|
| 003-50 |
50
|
66
|
62
|
70
|
4
|
60
|
46
|
9
|
22.5
|
8
|
| 003-55 |
55
|
71
|
67
|
75
|
4
|
64
|
45
|
9
|
22.5
|
8
|
| 003-60 |
60
|
79
|
72
|
80
|
4
|
70
|
49
|
9
|
22.5
|
8
|
| 003-65 |
65
|
85
|
77
|
85
|
4
|
70
|
55
|
9
|
22.5
|
8
|
| 003-70 |
70
|
90
|
83
|
92
|
4
|
75
|
57
|
9
|
25.5
|
10
|
| 003-75 |
75
|
98
|
88
|
97
|
4
|
80
|
62
|
9
|
25.5
|
10
|
| 003-80 |
80
|
108
|
95
|
105
|
4
|
80
|
61.8
|
9
|
25.7
|
10
|